Fineo, el vidrio al vacío de AGC en la renovación del Aeropuerto de Bromma, Suecia
Los dos característicos edificios principales de esta infraestructura, diseñados por Paul Hedqvist, están catalogados desde el año 2000 como ejemplos destacados del movimiento arquitectónico funcionalista sueco y simbolizan su especial importancia arquitectónica e histórica.
El edificio original de la terminal (Stationsbyggnaden), construido en 1935, fue objeto de una amplia modernización entre 2023 y 2025. El objetivo era conservar la delicada construcción de acero y vidrio con sus características ventanas en forma de cinta, al tiempo que se cumplían las normas contemporáneas de confort y eficiencia energética. Por lo tanto, el antiguo acristalamiento de una sola hoja de los años 50 fue sustituido por el acristalamiento al vacío Fineo de última generación. Se sustituyeron un total de 1270 elementos de vidrio de 1100 por 750 milímetros en una superficie de fachada de unos 850 metros cuadrados.
Tras su inauguración en 1936, Bromma se situó entre las instalaciones más modernas de Europa y fue el primer aeropuerto en contar con una pista totalmente hormigonada. Hedqvist aplicó a la arquitectura la máxima modernista clásica de ‘la forma sigue a la función’, organizando los flujos de trabajo, las zonas funcionales y la infraestructura de la terminal original de tal manera que los principios del funcionalismo escandinavo son inmediatamente reconocibles: volúmenes claros, una estructura horizontal, grandes secciones acristaladas y una ausencia deliberada de ornamentación.
Bromma siguió siendo la puerta de Suecia al mundo hasta la finalización del aeropuerto de Estocolmo-Arlanda en 1962. En la década de 1950, el Stationsbyggnaden se amplió y se convirtió en una sala de embarque. Desde el restaurante de la primera planta, situado encima de la terminal de pasajeros, se podía ver la pista a través de grandes ventanales.
Retos para la renovación de la fachada de cristal, por el carácter de edificio protegido
Tras muchas décadas de uso intensivo, la estructura de acero y cristal necesitaba urgentemente una renovación. La entrada de humedad, la corrosión de los perfiles de acero y los daños en el cristal eran característicos de su deteriorado estado. Esto se debía, entre otras cosas, a los bloques espaciadores de madera situados debajo de las ventanas interiores, que favorecían la acumulación de agua, y a la masilla original a base de aceite de linaza, que se había vuelto porosa, quebradiza y permeable a la humedad. “Dado que el edificio es un monumento protegido, no se podían realizar cambios estructurales en los perfiles de acero. Todos los trabajos debían seguir estrictamente las fotografías de referencia y los planos de obra prescritos”, afirma Thomas Sjödin, director de proyectos de Ryds Glas Stockholm, la empresa responsable de la restauración de las ventanas.
El acristalamiento de una sola hoja también databa de la década de 1950 y ya no cumplía los requisitos modernos en términos de eficiencia energética, confort y seguridad operativa. Por lo tanto, la selección del nuevo acristalamiento fue una tarea muy compleja, tanto desde el punto de vista de la conservación del edificio protegido como desde el punto de vista técnico. Un acristalamiento triple con un alto rendimiento de aislamiento térmico habría tenido un grosor de entre 35 y 40 milímetros y habría sobrecargado los perfiles históricos. Por lo tanto, se utilizó la serie Fineo Heritage, especialmente desarrollada para proyectos de edificios protegidos, para modernizar las ventanas históricas en términos de eficiencia energética.
Tras décadas de uso intensivo, la estructura de acero y cristal necesitaba urgentemente una renovación. Para ello se utilizó la serie Fineo Heritage, especialmente desarrollada para modernizar las ventanas históricas en términos de eficiencia energética en proyectos de edificios protegidos.
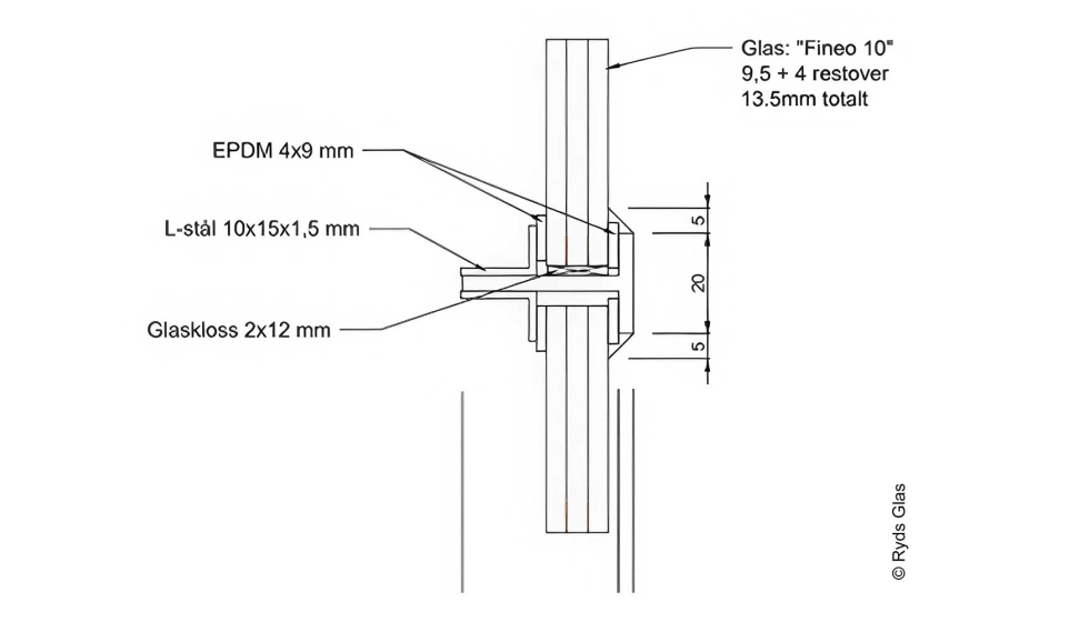
“Las delgadas unidades Fineo encajaban perfectamente en los delicados marcos existentes. Además, cumplían los requisitos de conservación, ya que reproducen con precisión las cualidades ópticas y la textura del vidrio histórico”, continúa Sjödin. La textura ligeramente irregular de la superficie y el reflejo característico coinciden exactamente con el aspecto de los paneles de la década de 1950. Esto se logró laminando un vidrio de restauración de 4 milímetros de Schott sobre un ‘Fineo 10’ de 9,5 milímetros, lo que dio como resultado un grosor total de solo 13,5 milímetros para los nuevos elementos. Las unidades aislantes constan de dos paneles de vidrio Clearvision extraclaro de AGC, que se caracteriza por sus niveles especialmente altos de transmisión de luz.
Además de sus propiedades ópticas, el rendimiento energético también fue un factor decisivo. “Incluso con un espesor mínimo de solo 6,7 milímetros, Fineo alcanza valores U de 0,7 W/m²K, lo que de otro modo solo sería posible con triple acristalamiento”, afirma Ivar Nilsson, director de proyectos de construcción internacionales de AGC/Fineo para la zona nórdica y báltica, “lo que abre nuevas posibilidades para mejorar el rendimiento energético de edificios históricos sensibles”.
Explica el principio: “El corazón funcional del acristalamiento al vacío Fineo es una cavidad al vacío de 0,1 milímetros entre dos paneles de vidrio. A diferencia del vidrio al vacío convencional, no hay abertura de evacuación, sino que el borde del vidrio está fusionado herméticamente. Esto garantiza una estanqueidad permanente sin necesidad de mantenimiento, mejora la transparencia y preserva el delicado carácter histórico de la fachada”.
Para la renovación de Bromma, el acristalamiento al vacío también aportó otras propiedades relevantes para las ventanas de gran formato de la sala de salidas: gracias al mayor grosor del vidrio disponible, se garantizó el comportamiento estructural incluso para paneles de mayor tamaño sin tener que modificar los perfiles de acero existentes. Al mismo tiempo, se pudieron integrar los requisitos de protección solar, UV y acústica sin comprometer el aspecto histórico de la fachada.
“Fineo Heritage se desarrolló en estrecha colaboración con los principales proveedores de vidrio de restauración fabricado mediante el proceso tradicional Fourcault. Utilizando cinco tipos de vidrio, podemos reproducir el acristalamiento típico de los periodos comprendidos entre 1880 y la actualidad”, explica Clément Lemoine, director de producto y mercado de Fineo by AGC.
Renovación y sustitución del vidrio sin interrumpir el funcionamiento
La renovación de la fachada de acero y vidrio comenzó con la eliminación completa del óxido de los perfiles existentes. A continuación, se volvieron a recubrir con una pintura especial anticorrosiva. En total, el equipo de Ryds Glas retiró más de 3500 tornillos oxidados, que fueron sustituidos por nuevos elementos de fijación de acero inoxidable. No se pudo utilizar una grúa porque la fachada se encuentra justo al lado de la pista de aterrizaje. Por lo tanto, todos los paneles tuvieron que ser izados hasta la estructura con un cabrestante o a mano.
“La decisión a favor del acristalamiento al vacío también fue convincente desde el punto de vista de la sostenibilidad”, añade Lemoine. El acristalamiento al vacío no contiene gases nobles y, gracias a su diseño muy delgado, utiliza mucho menos material que el acristalamiento doble o triple convencional. AGC es también el primer fabricante que ha obtenido tanto el marcado CE como la homologación general para la construcción del DIBt para Fineo. Este es también el primer y único producto VIG con una EPD verificada por terceros, que alcanza un valor excepcionalmente bajo de 18,9 kg de CO2 equivalente por metro cuadrado, en su versión Low-Carbon. Esta evaluación estandarizada y verificada supone una ventaja crucial para proyectos y regiones con altos requisitos de sostenibilidad. Las pruebas a largo plazo también demuestran un rendimiento térmico y acústico durante más de sesenta años. “Ejemplos como la renovación en Estocolmo demuestran que los edificios históricos pueden mejorar significativamente en términos de eficiencia energética utilizando esta tecnología sin perder su carácter”, concluye Lemoine.




































