Resultados de la búsqueda "maier"

Resultados en Canales sectoriales: 101 a 120 de 426 (aprox.) para la búsqueda maier

Mario Draghi vuela a Argelia para acordar más gas contra la dependencia rusa - 10/04/2022

Maio, acompañado por el consejero delegado de la energética Eni, Claudio Descalzi. Además la visita se produce en medio de las tensiones entre Argelia y España tras el giro de la política

Schneider Electric y SAP colaboran para avanzar en la digitalización industrial con una perfecta integración OT/IT en las fábricas - 16/12/2022

Maier, presidente de Industrias y Asesoría de Clientes de SAP. Y añade: "Nuestras empresas están alineadas en la importancia de la colaboración, la innovación y los estándares abiertos, haciendo

Aumento de la estabilidad del proceso de moldeo por inyección de materiales reciclados posconsumo mediante el uso de la presión de cavidad para el control del proceso - 15/05/2023

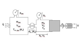
Maier, C.: Wie reproduzierbar ist die Reproduzierbarkeit?. Kunststoffe 106 (2016) 6, S. 62–66 [HH20] Hopmann, C.; Hornberg, K.: The Switchover Problem and its Consequences: Phaseless Process Control Should Revolutionize

Contenedores MAI incorpora un Scania XT portacontenedor de GNC - 10/02/2020

MAI incorpora un Scania XT portacontenedor de GNC - 10/02/2020: Contenedores MAI incorpora un Scania XT portacontenedor de GNC Esta nueva unidad de Scania pertenece a la serie P, cuenta con motor

Lapp amplía su catálogo de soluciones sin plomo Skindicht para prensaestopas - 01/12/2022

Maier, director de producto de U.I. Lapp GmbH. Nuevo catálogo Skindicht Como complemento a los modelos Skintop MS-M y MS-SC-M, así como a la contratuerca Skindicht SM-M en métricas

Munich reafirma su compromiso con el Hockey liderando el Mundial femenino - 13/07/2022

Mai García y Jana Martínez. Asimismo, la marca ha presentado el modelo de calle Versus también con las tonalidades del torneo. MUNICH demuestra así su apuesta por el hockey hierba

Televés logra la certificación Zhaga-D4i - 29/09/2022

Maia), y AtmosLED, en todas sus potencias. Zhaga-D4i ha logrado una estandarización de la interfaz entre luminarias LED y sensores-nodos de comunicación que cubre todas las características críticas

Las empresas están actuando en favor del almacenamiento de energía - 07/11/2022

Mai-Duc. “California aprueba reglas para prohibir autos a gasolina para 2035.” Wall Street Journal. 25 de agosto de 2022. 6 Fuente: https://www.dw.com/en/eu-agrees-new-cars-must-be-emissions-free-after-2035/a-62296555 7 Fuente: https://www/statista.com/statistics/696187/electric-and-hybrid-cars-number-in-norway/ 8 Fuente

Tekniker firma nuevas alianzas en sectores estratégicos - 10/11/2021

Maier, que renueva como entidad colaboradora, son las compañías con las que ha firmado nuevos acuerdos Tekniker firma nuevas alianzas en sectores estratégicos El centro tecnológico Tekniker sigue sumando nuevas

Aenor concede las primeras certificaciones Marca N Sostenible a 14 fábricas del sector siderúrgico español - 22/06/2022

Maia-Siderurgia Nacional, SN Seixal-Siderurgia Nacional y Megasider Zaragoza). De las fábricas 11 se sitúan en España, dos en Portugal y una en Alemania. La Marca Aenor N Sostenible

Mewa presenta su nueva imagen visual corporativa - 30/08/2022

Maier-Rahmer, director creativo de Martin et Karczinski, que desarrolló la nueva imagen con su equipo. El logotipo de la marca, la flor, representa los valores de pureza e higiene

Wärtsilä se asocia con Capwatt en un proyecto de mezcla de hidrógeno verde en Portugal - 25/05/2022

Maia. El proyecto comenzará en el primer trimestre de 2023 y tiene como objetivo probar mezclas de hasta un 10% de hidrógeno verde. La planta de cogeneración, que proporciona energía

Desarrollo de una plataforma de bajo coste y código abierto para sistemas de riego de precisión - 10/08/2022

Maia and André Torre Neto, (2019), Smart Water Management Platform: IoT-Based Precision Irrigation for Agriculture, Sensors 2019, 19, 276. Allen, R. G., Pereira, L. S., Raes, D., & Smith

Entrevista a Karsten Maier, secretario general de la UECBV - 03/12/2019

Maier, secretario general de la UECBV - 03/12/2019: “El principal productor de carne en Europa es Alemania, pero España le sigue muy de cerca y esto demuestra la gran importancia de las empresas

Reinhold Groß, nuevo director general de Heller Management SE - 14/01/2022

Maier, continuará en su papel como miembro del Consejo de Administración de Heller Management SE. “En nombre del Consejo de Supervisión, me gustaría mucho agradecer a Klaus Winkler su trabajo

Italia estrecha cooperación energética con Argelia en plena crisis con España - 11/04/2022

Maio, busca fortalecer la cooperación para desarrollar energías renovable e hidrógeno verde. «Italia y Argelia también quieren reforzar la cooperación en otros sectores. A la reunión de hoy le seguirá

Veolia participa en Power-to-Liquid en Oporto - 25/02/2022

Maia. Ubicado en el área metropolitana de Oporto, el proyecto permitirá producir e-fuel sintético verde para la industria de la aviación a partir del CO2 de la corriente de gas residual

El mayor debate global sobre vivienda ‘despega’ en Madrid - 17/05/2022

Mai Abdel Hamid. Y se presentarán los casos de éxito de Sia Tze Ming (Singapur) y Roosevelt Island. Segundo día: 19 de mayo El jueves, se abordará la barrera de la Financiación

Veolia participa en Power-to-Liquid, un proyecto para transformar el CO2 derivado de residuos municipales en combustibles de aviación sostenibles - 01/03/2022

Maia, en el área metropolitana de Oporto. El proyecto permitirá producir e-fuel sintético verde para la industria de la aviación a partir del CO 2 de la corriente de gas residual

Roto Patio Lift, ahora también para correderas elevables de PVC - 04/04/2022

Maier, director de Lanzamiento de Productos de Roto Fenster- und Türtechnologie GmbH (FTT), responsable del lanzamiento de las innovaciones más recientes de la gama Patio Lift, “el sistema de corredera